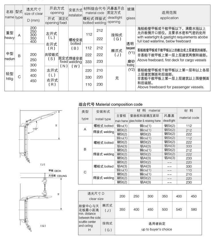
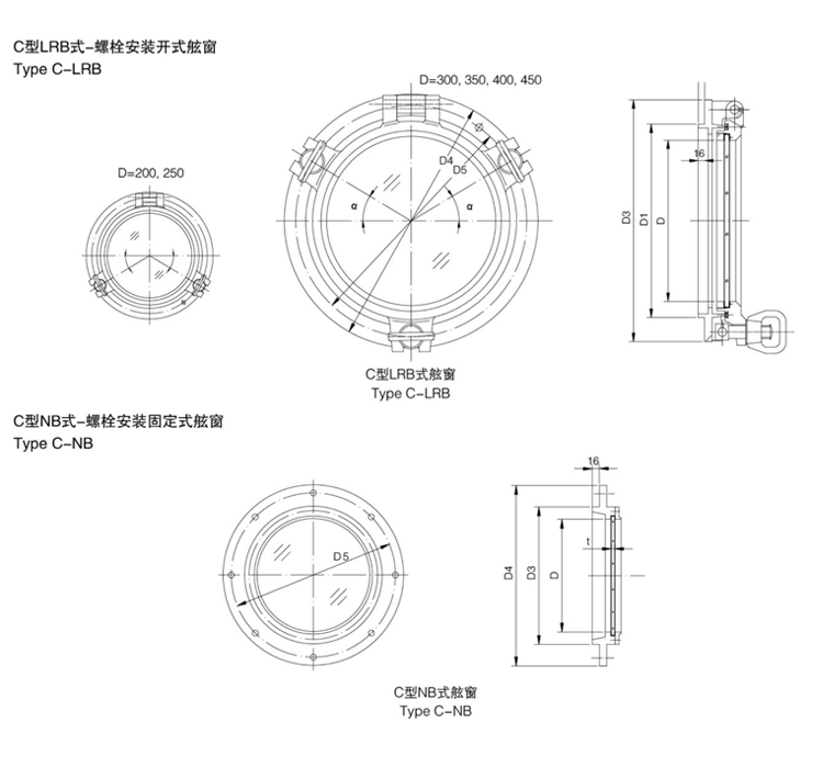
Description
Used for sea-going ship and warships could used for inland ship
Marine portholes are cabin windows designed and manufactured specifically for various types of ships, offshore platforms, and marine engineering equipment. They offer excellent waterproof, windproof, and corrosion-resistant properties. Framed with high-quality steel, stainless steel, or aluminum alloy, and combined with high-strength tempered or fire-resistant glass, they withstand long-term use in complex marine environments, ensuring safety and comfort within the vessel. With their aesthetically pleasing appearance and sturdy structure, marine portholes are widely used in shipboard areas such as bridges, living quarters, passageways, and control rooms.

Advantages and Features:
Stable and Reliable Structure: Utilizes a high-strength metal frame for excellent impact and vibration resistance.
Excellent Waterproofing: Equipped with high-quality sealing strips, it prevents water from seeping in from waves and rain, keeping the cabin dry.
Corrosion Resistance: Rust- and corrosion-resistant treatments ensure compatibility with high salt spray and humidity at sea.
High Light Transmittance: Utilizes tempered safety glass or laminated glass for excellent lighting and clear vision.
Diverse Options: Available in a variety of configurations, including fixed, retractable, and rain-covered, with customization supported.

Applications:
Ventilation and lighting areas in cabins, cockpits, living quarters, and corridors of various vessels
Commercial ships, fishing vessels, engineering vessels, passenger ships, and offshore vessels
Offshore drilling platforms, floating structures, and offshore accommodation modules
Ports, maritime control centers, and offshore facilities














